{{ title }}
{{ errorMessage }}


{{ errorMessage }}






{{ registerSuccessMessage }}

农业农村局2022年政府信息公开工作年度报告

打印

一、总体情况

2022年,农业农村局深入贯彻落实《中华人民共和国政府信息公开条例》,丰富公开内容,通过多渠道、多形式主动公开政府信息,及时反映了我局工作情况,使群众能及时掌握信息,了解农业动态、政策、法规和新技术等,提高群众的知情权和科技水平,方便群众办事、监督,更好地服务“三农”。

1.公开信息数量情况:2022年主动公开政府信息35条。

2.主动公开政府信息的类别:2022年公共的信息主要包括涉农资金、建设项目、督察整改以及其他应主动公开的政府信息等。

3.信息公开的形式:主要通过“抚远市人民政府网站”之“政务公开”栏公开有关信息。

二、主动公开政府信息情况

1673604432553.jpg

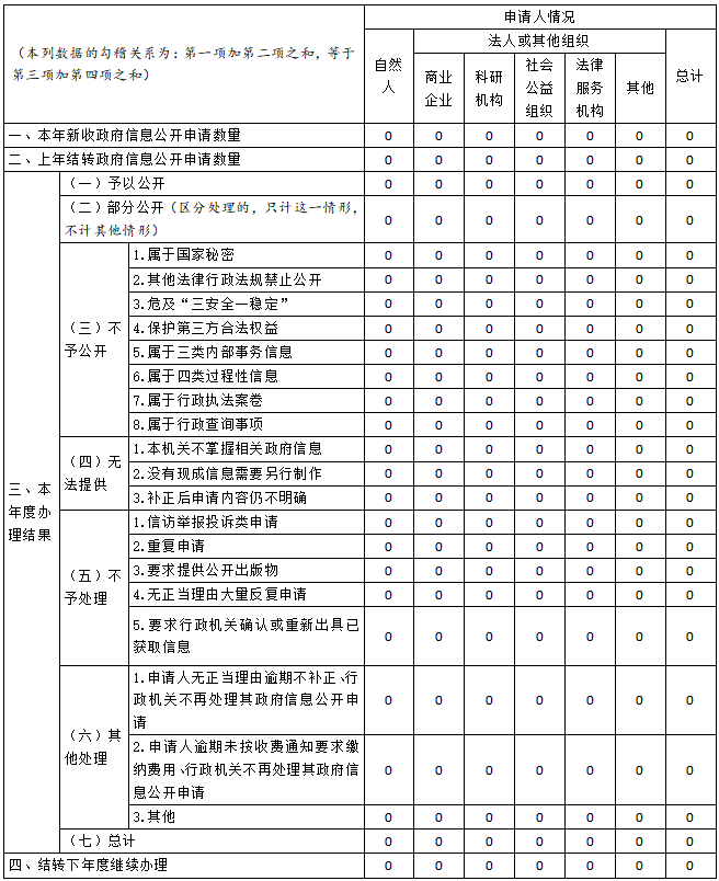
三、收到和处理政府信息公开申请情况 

1673604490528.jpg

四、政府信息公开行政复议、行政诉讼情况 

1673604547342.jpg

五、存在的主要问题及改进情况

信息公开主动性不够,信息比较单一、内容不够丰富。在2023 年,我局将继续按照市政府关于政府信息公开工作的各项要求,在规定的政府信息公开范围内,及时发布和更新依法应主动公开的政府信息;充分利用好政府网站,实现政务信息公开化,切实提高办事透明度,确保公开信息的及时性、准确性和有效性。

六、其他需要报告的事项

2022年,我局未收取信息处理费。


原文下载:农业农村局2022年政府信息公开工作年度报告.pdf




扫描右侧二维码
在手机打开此页